search
STRUCTURE de jeux 1 TOUR avec 1 Toboggan et 1 rampe de glisse Inox
Référence : LOR11402
Catégorie : Robin'Inox

Poteaux inox RONDS Ø76.1mm

Plancher tôle INOX larmé

Habillage de Panneaux Robinier ep 21mm

Structure Inox Garantie 25 ans

Métallerie et visserie 100% INOX

Fiche technique

Structure porteuse
acier inox 304
Autres pièces
Tubes en acier inox 304
Nombre d’utilisateurs
6
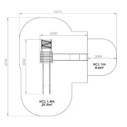
Espace minimum
6,76 m x 3,72 m
Tranche d'âge
de 3 ans et +
Les planchers
Inox lamé
Panneaux d'habillage
en Robinier
Hauteur de chute
1 m
Toboggan
1
Poids
110 kg
Dimensions de la structure ou du produit
3,26 x 0,80 m H1,78 m

Ensemble composé d'une tour avec un toboggan à glissière en INOX, d'une rampe de glisse, d'un jeu de manipulation
et d'un panneau de grimpe avec des prises en robinier.
Habillage de la tour en bois de robinier
chat Commentaires (0)