search
STRUCTURE de jeux 3 TOURS avec 2 Toboggans et 2 Ponts de corde
Référence : BRI31203
Catégorie : Gamme Brik

Structure en inox et habillage en panneaux PEHD

Garantie 25 ans

Métallerie et visserie 100% INOX

Fiche technique

Structure porteuse
acier inox 304
Autres pièces
Tubes en acier inox 304
Nombre d’utilisateurs
25
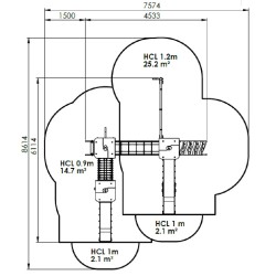
Espace minimum
8,62 m x 7,58 m
Tranche d'âge
3 ans et +
Les planchers
PEHD
Panneaux d'habillage
Panneaux PEHD
Hauteur de chute
1.20 m
Toboggan
1
Poids
480 kg
Dimensions de la structure ou du produit
6,12 x 4,54 m H2,94 m

Ensemble composé de 3 tours de 2 hauteurs différentes reliées par un pont de corde et un pont de corde mobile avec 2 toboggans à glissière en Inox, 
d'un escalier, d'un panneau d'escalade avec prise de grimpe, d'un mât de pompier, d'un mur de grimpe vertical et d'un panneau de manipulation.

chat Commentaires (0)